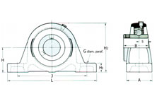
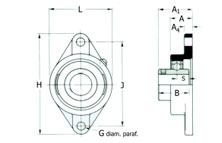
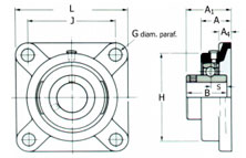
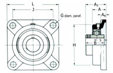
Mancal
O mancal ou mancal de rolamento como é conhecido é uma peça de ferro fundido ou de chapa de aço e possui diversas opções de vedação e tamanhos para diferentes aplicações.
Os mancais comercializados por nós são de ótima qualidade e intercambiáveis, atendendo assim a diferentes tipos de projetos. Dentre os modelos oferecidos podemos citar: mancais axiais, bipartido e com flange, muito fáceis de montar.
Se necessita de mancais, entre em contato com nossa equipe. Teremos grande prazer em lhe atender. contato@tinkroll.com.br ou ligue (11) 3429-0600

(11) 96919-3566









